NUOLIANG updated its domestic 12V test report certificate on July 15, 2022.
July 15, 2022: NUOLIANG NL anti-fog film, anti-fog device, anti-fog sticker, defogger film, defogger, defogger sticker, electric heating film, heating film, heating sticker, mirror anti-fog film, NUOLIANG NL brand obtained patent certificate.
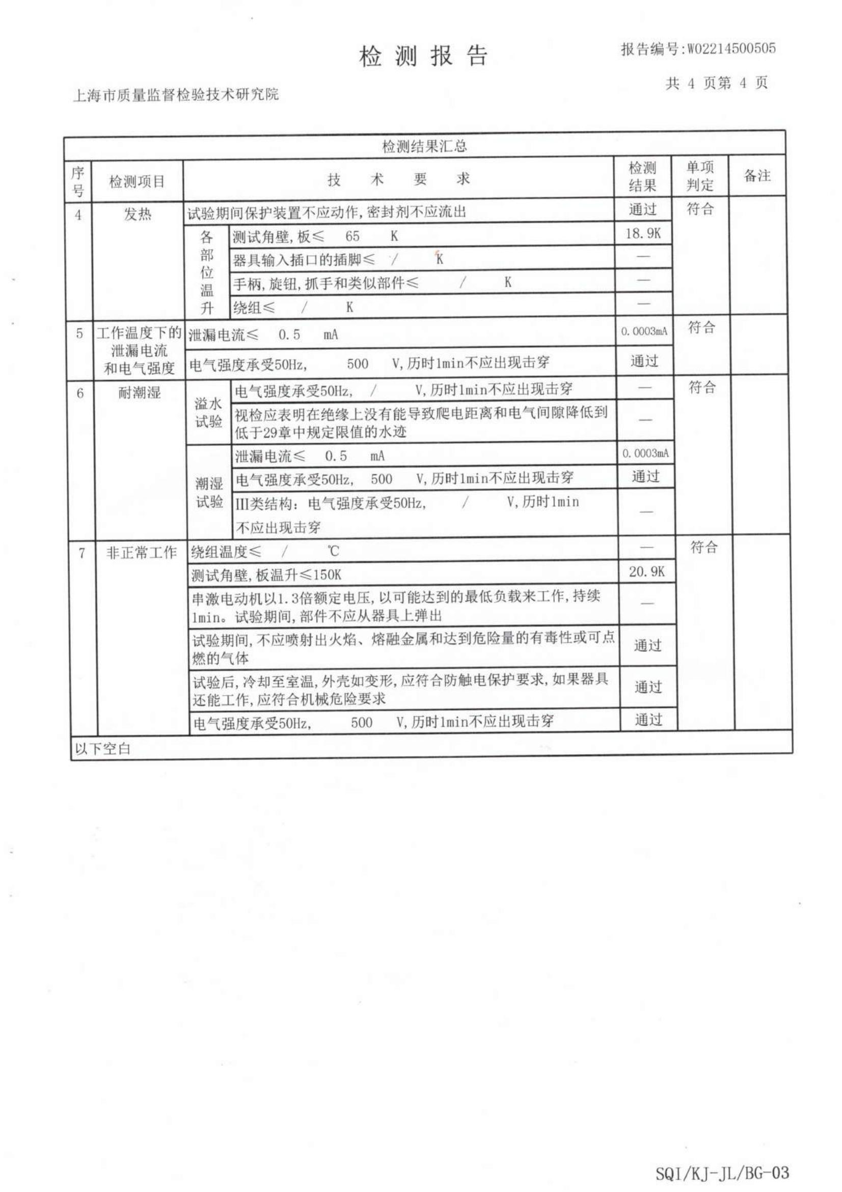
Certificate Number: W02214500505





| Previous:NUOLIANG updated its waterproof report certificate on July 15, 2022. | Next:NUOLIANG updated its RoHS certificate on April 13, 2022. |
Hot News
-
Anti-fog film R&D experts, safeguarding your mirror's clarity.
-
Essential anti-fog film solutions for lightbox mirror manufacturers.
-
NUOLIANG Electronics Technology: Professional anti-fog film R&D manufacturer, providing high-quality anti-fog solutions for lightbox mirrors.
-
Smart mirror anti-fog film, keeping your mirror crystal clear.
-
How to choose the right anti-fog film for lightbox mirrors? NUOLIANG Electronics Technology answers your questions.